娘欢子爱❌与娘欢子爱的区别🚩RNA49/32-機加工滾針軸承-河北重庆如晶船舶制造有限责任公司

全國服務熱線

0319-8561987

RNA49/32-機(ji)加工滾針軸承

  • 新(xīn)型号:RNA49/32
  • 舊型号:
  • 類别(bié):機加工滾針軸承(chéng)
  • 内徑:40
  • 外徑:52
  • 厚度:20
  • 系(xi)列:D 42-62mm
立即咨詢

産品(pin)圖紙

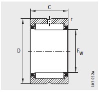
産品參數

尺(chǐ)寸mm
F w40
D52
C20
r min0.6
基本額定載荷(hé)N
動載荷 C r34500
靜載荷 C or
X-life
X-lifeXL
疲(pí)勞極限載荷 C ur /N
疲勞(lao)極限載荷 C ur /N8900
極限轉(zhuan)速 n G min –1
極限轉速 n G min –110700
質量(liàng)m ≈kg
質量m ≈kg89.1
參考轉速 n B min –1
型号1
型号(hào)1-
型号2
型号2RNA49/32
型号3
型(xíng)号3-
型号4-

産品(pin)介紹

  • 河北省邢台市臨(lin)西縣臨西鎮陳林(lin)村東北縣敬老院(yuan)南600米

  • 聯系電話

    13463924333

  • 傳(chuan)真

    0319-8561987

  • 電子郵件

    [email protected]

·
·