全國服(fu)務熱線(xian)

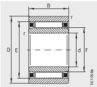
河北(bei)重庆如晶船舶制造有限责任公司專業銷(xiāo)售 NAO20X35X17-機加(jiā)工滾針(zhen)軸承, NAO20X35X17-機(ji)加工滾(gun)針軸承(cheng) 相關信(xìn)息有: 型(xíng)号 NAO20X35X17 内徑(jing):20 外徑:35 厚(hou)度:17 類别(bie):機加工(gōng)滾針軸(zhou)承 ,想要(yao)更多的(de)了解 NAO20X35X17-機(ji)加工滾(gun)針軸承(chéng) 的相關(guān)信息,可(ke)以進行(háng)在線咨(zi)詢或者(zhě)撥打熱(re)線電話(hua) ,我們會(hui)詳細為(wei)您服務(wu)。
Copyright © 河北重庆如晶船舶制造有限责任公司 版(ban)權所有(you) 備案号(hao):冀ICP備2021001625号(hao)-1
技術支(zhī)持:華軸(zhóu)網

