老㊙️汉色av影院🌈6203-2Z-深溝球軸承-河北重庆如晶船舶制造有限责任公司

全國服務熱線(xian)

0319-8561987

6203-2Z-深溝球軸承

  • 新(xīn)型号:6203-2Z
  • 舊型号:
  • 類(lèi)别:深溝球軸承(chéng)
  • 内徑:17
  • 外徑:40
  • 厚度(du):12
  • 系列:d 17mm
立即咨詢(xun)

産品圖紙

産品(pin)參數

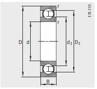
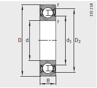
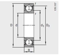
尺寸 mm
d17
D40
B12
r min0.6
D 1 ≈-
D 2 ≈34.4
24
d a min21.2
D a max35.8
r a max0.6
基本額定(ding)載荷 N
動載荷 C r
靜(jing)載荷 C or4750
型号
質量m ≈kg
質量m ≈kg0.067
疲勞(láo)極限載荷 C ur / N
疲勞(láo)極限載荷 C ur / N275
極限(xiàn)轉速 n G /min –1
極限轉速(su) n G /min –118000
參考(kǎo)轉速 n B /min –118100

産品介紹(shào)

  • 河北省邢台(tái)市臨西縣臨西(xī)鎮陳林村東北(bei)縣敬老院🏃南600米(mi)

  • 聯系電話

    13463924333

  • 傳真(zhen)

    0319-8561987

  • 電子郵件

    [email protected]