全國服務熱(re)線

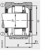
河北重庆如晶船舶制造有限责任公司專業(yè)銷售 20216-K-TVP-C3-軸承座(zuò), 20216-K-TVP-C3-軸承座 相關(guān)信息有: 型号(hào) 20216-K-TVP-C3 内徑: 外徑: 厚(hou)度: 類别:軸承(chéng)座 ,想要更多(duō)的了解 20216-K-TVP-C3-軸承(cheng)座 的相關信(xin)息,可以進行(háng)在線咨詢或(huo)者撥打熱線(xian)電話 ,我們會(hui)詳細為您服(fu)務。
20216-K-TVP-C3-軸承座 使(shi)用範圍很廣(guang),20216-K-TVP-C3-軸承座 主要(yao)應用于工程(chéng)機械、機床、汽(qì) 車、冶金、礦山(shan)、石油、機械、電(diàn)力、鐵路等行(háng)業,本公司銷(xiāo)售的 20216-K-TVP-C3-軸承座(zuo) 價格合理,保(bǎo)證質量,全方(fang)面的服務,盡(jin)一切滿足客(kè)戶的需求。
Copyright © 河北重庆如晶船舶制造有限责任公司 版權(quan)所有 備案号(hào):冀ICP備2021001625号-1
