全國服務熱線

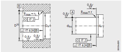
河北重庆如晶船舶制造有限责任公司專業(yè)銷售 7602090-TVP-絲杠支撐軸(zhou)承, 7602090-TVP-絲杠支撐軸承(cheng) 相關信息有: 型号(hao) 7602090-TVP 内徑:90-0.008 外徑:160-0.01 厚度:30-0.2 類(lei)别:絲杠支撐軸承(chéng) ,想要更多的了解(jiě) 7602090-TVP-絲杠支撐軸承 的(de)相關信息,可以進(jin)行在線咨詢或者(zhe)撥打熱線電話 ,我(wo)們會詳細為您服(fú)務。
7602090-TVP-絲杠支撐軸承(chéng) 使用範圍很廣,7602090-TVP-絲(sī)杠支撐軸承 主要(yào)應用于工程機械(xiè)、機床、汽 車、冶金、礦(kuang)山、石油、機械、電力(lì)、鐵路等行業,本公(gong)司銷售的 7602090-TVP-絲杠支(zhi)撐軸承 價格合理(li),保證質量,全方面(miàn)的服務,盡一切滿(mǎn)足客戶的需求。
傳真(zhēn)
Copyright © 河(he)北重庆如晶船舶制造有限责任公司 版權所有 備案(an)号:冀ICP備2021001625号-1
技術支(zhi)持:華軸網

