全國服務熱(re)線

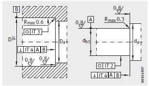
河北(bei)重庆如晶船舶制造有限责任公司專業銷售 PWKR80-2RS-滾(gǔn)輪, PWKR80-2RS-滾輪 相關(guan)信息有: 型号(hào) PWKR80-2RS 内徑: 外徑:80 厚(hou)度:100 類别:滾輪(lún) ,想要更多的(de)了解 PWKR80-2RS-滾輪 的(de)相關信息,可(ke)以進行在線(xian)咨詢或者撥(bo)打熱線電話(huà) ,我們會詳細(xi)為您服務。
PWKR80-2RS-滾(gǔn)輪 使用範圍(wei)很廣,PWKR80-2RS-滾輪 主(zhu)要應用于工(gong)程機械、機床(chuang)、汽 車、冶金、礦(kuang)山、石油、機械(xiè)、電力、鐵路等(deng)行業,本公司(sī)銷售的 PWKR80-2RS-滾輪(lun) 價格合理,保(bao)證質量,全方(fāng)面的服務,盡(jìn)一切滿足客(kè)戶的需求。
··
·
›·
›
••
·