全國服務熱線
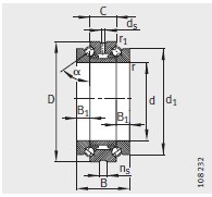
河北重庆如晶船舶制造有限责任公司專(zhuan)業銷售 234760-M-SP-雙向推力(lì)角接觸球軸承, 234760-M-SP-雙(shuang)向推力角接觸球(qiú)軸承 相關信息有(yǒu): 型号 234760-M-SP 内徑:310 外徑:460 厚(hòu)度:190 類别:雙向推力(lì)角接觸球軸承 ,想(xiang)要更多的了解 234760-M-SP-雙(shuang)向推力角接觸球(qiú)軸承 的相關信息(xi),可以進行在線咨(zi)詢或者撥打熱線(xian)電話 ,我們會詳細(xi)為您服務。
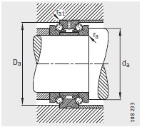
234760-M-SP-雙向推(tui)力角接觸球軸承(chéng) 使用範圍很廣,234760-M-SP-雙(shuāng)向推力角接觸球(qiú)軸承 主要應用于(yú)工程機械、機床、汽(qì) 車、冶金、礦山、石油(yóu)、機械、電力、鐵路等(deng)行業,本公司銷售(shòu)的 234760-M-SP-雙向推力角接(jiē)觸球軸承 價格合(hé)理,保證質量,全方(fang)面的服務,盡一切(qiē)滿足客戶的需求(qiu)。
傳真
Copyright © 河北重庆如晶船舶制造有限责任公司 版權所有(you) 備案号:冀ICP備2021001625号-1
技(ji)術支持:華軸網

›
·