啦啦啦免费🚩视频播放🌈NU1084-M1-圓柱滾子軸承-河北重庆如晶船舶制造有限责任公司

全國服務熱(rè)線

0319-8561987

NU1084-M1-圓柱滾(gǔn)子軸承

  • 新型(xing)号:NU1084-M1
  • 舊型号:
  • 類(lei)别:圓柱滾子(zǐ)軸承
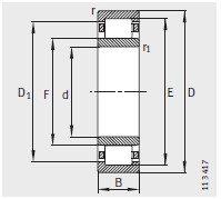
  • 内徑:420
  • 外(wài)徑:620
  • 厚度:90
  • 系列(liè):d 300-710mm
立即咨詢

産(chan)品圖紙

産品(pin)參數

型号
型(xíng)号NU1084-M1
疲勞極限(xiàn)載荷 C ur / N
疲勞極(jí)限載荷 C ur / N183000
極限(xian)轉速 n G /min –1
極限轉(zhuan)速 n G /min –11800
參考轉速(su) n B /min –1
參考轉速 n B /min –1920
尺(chǐ)寸 mm
420
D620
B90
r min5
s 1)5
9.6
E570
470
D 1 ≈551.5
安裝尺寸(cùn) mm
d a min437
d a max465
d b min475
D a max
r a max4
r a1 max4
動載荷 C r1400000
2450000
質量m ≈kg
質(zhi)量m ≈kg92.9
  • 地(di)址

    河北省邢(xing)台市臨西縣(xiàn)臨西鎮陳林(lín)村東北縣敬(jing)老院南600米

  • 聯(lian)系電話

    13463924333

  • 傳真(zhen)

    0319-8561987

  • 電子郵件

    [email protected]

总 公 司急 速 版WAP 站H5 版无线端AI 智能3G 站4G 站5G 站6G 站
·
·