我的惊🚩艳岳㊙️11209-TVH-調心球軸承-河北重庆如晶船舶制造有限责任公司

全國服務熱(re)線

0319-8561987

11209-TVH-調心球(qiu)軸承

  • 新型号(hào):11209-TVH
  • 舊型号:
  • 類别(bié):調心球軸承(cheng)
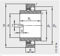
  • 内徑:45
  • 外徑:85
  • 厚(hou)度:19
  • 系列:d 20-60mm
立即(jí)咨詢

産品圖(tú)紙

産品參數(shu)

型号
型号11209-TVH
尺(chi)寸 mm
d45
D85
B19
r min1.1
B 1
72.7
d 1 ≈57.7
安裝尺寸(cùn) mm
D a max78
r a max1
基本額定載(zai)荷 N
靜(jing)載荷 C or7300
e0.21
Y 13.04
Y 24.7
Y 03.18
疲勞極限(xiàn)載荷 C ur / N
疲勞極(ji)限載荷 C ur / N
質量(liàng)m ≈kg
質量m ≈kg0.78
極限轉(zhuǎn)速 n G min –1
極限轉速(su) n G min –16000

産品介紹

  • 地址

    河北省(sheng)邢台市臨西(xi)縣臨西鎮陳(chén)林村東北縣(xian)敬老✌️院🙇🏻南600米(mǐ)

  • 傳(chuán)真

    0319-8561987

  • 電子郵件(jian)

    [email protected]

总 公 司急 速 版WAP 站H5 版无线端AI 智能3G 站4G 站5G 站6G 站
·
·